產品名稱
TPT432A高溫熔體壓力傳感器(high temperature melt pressure sensor)
特征與用途
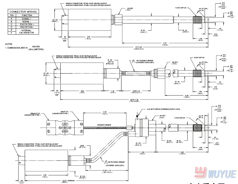
特性: ★ 裝有J型熱電耦,可以同點測量溫度 輸出:滿量程3.33mV/V 通過CE認證 ★ 熱電耦可以在現場拆卸和更換 內部80%校驗 熱電阻和其它類型熱電耦 ★ 具有柔性管,使應變片盒遠離高溫區(qū) 量程:從0-500psi到0-30,000psi 可以選配 ★ 精度: ±0.25% 熱穩(wěn)定性和重復性精度高 TPT432A高溫熔體壓力傳感器(high temperature melt pressure sensor)
技術參數
